Tank Truck Manhole Covers & Parts

Home / Products / Petrol & Chemical Tank Truck Parts / Tank Truck Manhole Covers & Parts / Cast Aluminum Safety Manhole Cover Assembly for Petroleum Tank Trucks

Cast Aluminum Safety Manhole Cover Assembly for Petroleum Tank Trucks

RKG Series Cast Aluminum Manhole Covers – Reliable Top-Mounted Safety Solution

RKG Series manhole covers are essential top-mounted components for petroleum tank trucks, chemical tankers, and other hazardous liquid transport vehicles. These covers provide secure access for loading, unloading, and ventilation while maintaining tank safety under normal operations and emergency conditions.

Equipped with a vacuum-pressure vent valve and an emergency relief valve, the manhole cover ensures that under typical conditions, the vent valve remains closed. During fuel transfer or temperature fluctuations, internal tank pressure changes, prompting the vent valve to automatically release or intake air to maintain safe operating pressure. In emergency situations, such as fire or sudden impact, the emergency relief valve opens immediately to release excess pressure, preventing explosions and other hazards.

Global Terminology Variations
This type of tank top safety device is referred to differently around the world:
Germany: “Tankdeckel aus Aluminium mit Sicherheitsventil”
France: “Couvercle de trappe en aluminium avec soupape de sécurité”
Italy: “Coperchio uomo in alluminio con valvola di sicurezza”
Spain: “Tapa de registro de aluminio con válvula de seguridad”
Netherlands: “Aluminium tankluik met veiligheidsklep”
UK: “Aluminum Manhole Cover with Emergency Relief Valve”

In Asia and South America, it is commonly called a “Cast Aluminum Tank Top Lid,” “Petroleum Manhole Assembly,” or “Safety Vent Manhole Cover.” Despite these variations, the primary function remains consistent: protecting the tank and ensuring safe operation.

Key Features
Durable Cast Aluminum Construction: The large and small plates are die-cast aluminum with surface oxidation treatment, providing excellent corrosion resistance and durability.
Optional Dual Vent Configuration: Can be fitted with two vent valves according to operational requirements.
Compact and Cost-Effective Design: Efficient dimensions and lower manufacturing costs make it ideal for commercial tank trucks.
Customizable Openings: Large plate has two pre-drilled holes for optional installation of optic sensors, dip tubes, or external vacuum valves.
Materials: Lever made of galvanized carbon steel; emergency exhaust valve of aluminum alloy; seal rings available in Buna-N or Viton for chemical resistance.

Technical Specifications
Vent discharge setting pressure: 6–12 kPa
Negative opening pressure: -2 to -4 kPa
Emergency exhaust valve pressure: 21–32 kPa
Operating temperature: -20°C to +50°C

Ordering Specifications
Name Model Outer Diameter Center Bolt Hole Distance Bolt Hole Qty
Manhole Cover RKG-L-B460 460 mm 432 mm 12 (11 mm diameter)
Manhole Cover RKG-L-B560 560 mm 530 mm 24 (11 mm diameter)
Manhole Cover RKG-L-B580 580 mm 542 mm 24 (11 mm diameter)

Applications
The RKG cast aluminum manhole cover series is widely used for petroleum transport, chemical liquid tankers, water tankers, and other top-mounted tank access solutions. Its reliable construction, safety features, and international standard compliance make it a trusted choice for operators in Europe, Asia, and South America.

  • Specification
  • Contact Us

Manhole covers are installed on the top of tank trucks, serving as key components for loading, unloading, and ventilation. They are equipped with a vacuum pressure vent valve and an emergency relief valve to ensure the safety of the tank in emergency situations. Under normal conditions, the vacuum pressure vent valve remains closed. However, during fuel loading, unloading, or when temperature fluctuations occur, the pressure inside the tank changes. At this time, the vacuum pressure vent valve will automatically open to release or intake air, maintaining the tank's pressure within the specified range. In the event of an emergency, such as a fire, the emergency relief valve will automatically open to quickly release the internal pressure, preventing explosions and other hazards. Our products meet international standards and have been widely recognized by oil companies around the world as essential safety devices for the transportation of hazardous materials.



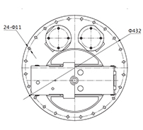
RKG-L-B460 Cast Aluminum
Manhole Cover (Bolted Type)

Features:
1. Big plate & small plate are cast, oxidation treatment onthe surface
2. Can install double vent valves according to requirements
3. Compact dimensions, relatively low manufacturing cost
4. A big plate has two holes; it can be installed with an optic sensor.dip tube or external vacuum valve.



RKG-L-B560 Cast Aluminum
Manhole Cover (Bolted Type)

Material:
Lever: Galvanized Carbon Steel
Emergency Exhaust Valve: Aluminum Alloy
Big Cover: Cast Aluminum
Seal Ring: Buna-N or Viton for option

Technique Specification:
Setting pressure of vent discharge:6~12kpa
Negative opening pressure:-2~-4kpa
Pressure of emergency exhaust valve:21~32kpa
Temperature Range: -20~+50℃

Features:
1. Big plate & small plate are die-casting aluminum, with oxidation treatment on the surface
2. Can be installed with 2 pieces of vent valves according to requirements
3. A big plate has two holes; it can be installed with an optic sensor.dip tube or external vacuum valve



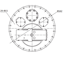
RKG-L-B580 Cast Aluminum
Manhole Cover (Bolted Type)

Cast Aluminum Petroleum Manhole Cover Ordering Specifications:

Name Model Outside Diameter Center bolt hole distance Bolt Hole Qty
Manhole Cover RKG-L-B460 460 mm 432 mm 12 (11 mm Diameter of Bolt holes)
Manhole Cover RKG-L-B560 560 mm 530 mm 24 (11 mm Diameter of Bolt holes)
Manhole Cover RKG-L-B580 580 mm 542 mm 24 (11 mm Diameter of Bolt holes)

About Haibo
Zhejiang Haibo Petroleum Equipment Co., Ltd.

Zhejiang Haibo Petroleum Equipment Co., Ltd., established in 2017, is a certified enterprise located in Yongjia County, Wenzhou City, Zhejiang Province—recognized globally as the world’s largest manufacturing base for petroleum equipment and the well-known hometown of pumps and valves in China.
Our products are widely used in Fluid Control Systems, Energy Systems, Measurement Systems, Piping Systems, and Hydraulic Systems, serving petroleum companies, military units, oil depots, tank truck manufacturers, and petrol stations worldwide. Province—recognized globally as the world’s largest manufacturing base for petroleum equipment and the well-known hometown of pumps and valves in China.
At Haibo, we are backed by a team of senior industry experts with more than 20 years of professional experience in the petroleum equipment and fluid control sectors. Their deep technical knowledge and industry insight ensure that every product and solution we deliver meets the highest standards of quality, reliability, and performance.

Certificate Of Honor
  • Utility Model Patent Certificate
  • Utility Model Patent Certificate
  • Utility Model Patent Certificate
  • Utility Model Patent Certificate
  • Utility Model Patent Certificate
  • Utility Model Patent Certificate
  • Utility Model Patent Certificate
  • Utility Model Patent Certificate
  • Utility Model Patent Certificate
  • Utility Model Patent Certificate
  • Test Report
  • Test Report
News