Tank Truck Bottom Valves & Parts

Home / Products / Petrol & Chemical Tank Truck Parts / Tank Truck Bottom Valves & Parts / High-Flow Pneumatic Bottom Valve with Dual Round Flanges for Fuel Tank Trucks

High-Flow Pneumatic Bottom Valve with Dual Round Flanges for Fuel Tank Trucks

High-Flow Pneumatic Bottom Valve with Dual Round Flanges for Fuel Tank Trucks

The HBFV-B-4 is a carefully engineered pneumatic bottom valve designed for safe and efficient fuel handling in tank trucks. Installed directly at the tank’s base, the valve features a cutting groove that protects the tank’s integrity during accidental impacts. When subjected to extreme forces, the outer section of the valve body fractures along the groove, maintaining overall tank sealing and preventing fuel leaks. This safety-focused design ensures that fuel unloading operations remain secure and reliable under demanding conditions.

Built from high-strength die-cast aluminum, the valve combines durability with lightweight performance, making it easier to handle during installation and maintenance. Its high-lift poppet design ensures maximum flow rates, supporting rapid loading and unloading of gasoline, diesel, and other light fuels. Stainless steel internal components resist corrosion, and Viton seals provide excellent chemical compatibility, extending service life even in harsh operating environments. The valve’s self-centering plunger and heavy-duty compression spring guarantee consistent closure, while optional mechanical push rod or eye bolt adapters allow flexibility in vent or top operation.

Globally, this type of valve is recognized under various names, reflecting regional terminology and industrial practices. Some common alternatives include Fuel Tank Truck Bottom Valve, Emergency Shutoff Valve, Dual-Flange Pneumatic Valve, Petrol Tank Underbody Valve, Tank Base Pneumatic Valve, High-Flow Truck Loading Valve, and Safety Cut-Off Valve for Tankers. Despite differences in naming, the core functionality remains universal: secure, high-capacity fuel transfer with safety and environmental protection in mind.

Key Features:
High-flow capability for efficient fuel operations
Compatible with standard 4-inch TTMA sump connections
Compliant with DOT 49 CFR 178.345-8, DOT 406, EN 13308:2002, and TTMA RP84-92 & RP86-92 standards
Die-cast aluminum body for strength and lightness
Viton seals and stainless steel internals for chemical resistance and longevity
Smooth operation via brass cam with bearing boot
Double O-ring camshaft sealing for enhanced leak prevention and maintenance simplicity
Optional mechanical push rod or eye bolt for versatile control

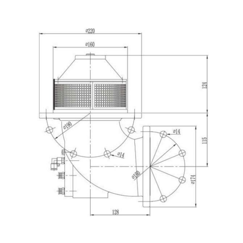
Technical Specifications:
Nominal size: 4 inches
Working pressure: 0.6 MPa
Maximum flow rate: 2500 L/min
Temperature range: -20°C to +70°C
Flange: Round on tank side and pipe side
Opening mode: Pneumatic
Compatible with light fuels such as gasoline and diesel

Recommended Accessories:
Tank Side Flange (HBBVTSFL-100R) with 8 bolt holes
Tank Side Welding Sump with male (HBBVTSFL-100RB) or female nuts (HBBVTSFL-100RA)
Pipe Side Round Flange (HBBVPSFL-100F) with 8 bolt holes
Buna-N / Viton round gaskets for both tank and pipe sides

This series offers a complete solution for fuel tank trucks, chemical trailers, and other liquid transport vehicles, providing a reliable, high-performance connection between tank base valves and pipe systems. Custom materials and sizes can be accommodated to meet different regional standards or specific project requirements.

  • Specification
  • Contact Us

The valve is installed at the bottom of the tank, the valve disc is sealed inside the tank, and the valve body is designed with a cutting groove.  When the valve body is subject to an unexpected severe impact, the outer part of the valve body will be broken along the cutting groove, thereby ensuring the overall sealing of the tank body and ef\fectively preventing oil leakage.

Technical Specifications:
Item No. HBFV-B-4
Name: Pneumatic Bottom Valve
Nominal size: 4 inches
Working pressure:0.6MPa
Maximum flow rate:2500L/min
Opening mode: pneumatic
Temperature range:-20~+70 ℃
Flange: Round on Tank Side Round on Pipe Side
Applicable medium: light fuel such as gasoline and diesel oil

The following accessories are designed to work in conjunction with the bottom valve for options:

HBBVTSFL-100R – Tank Side Flange with 8 bolt holes
HBBVTSFL-100RB – Tank Side Welding Sump with 8 male bolts
HBBVTSFL-100RA – Tank Side Welding Sump with 8 female nuts
HBBVPSFL-100R – Pipe Side Round Flange with 8 bolt holes
Buna-N / Viton Round Gasket for 4-inch Bottom Valve Tank Side
Buna-N / Viton Round Gasket for 4-inch Bottom Valve Pipe Side

Other required spare parts or other materials are customized!

Features:
High Flow Rate – Designed for efficient loading and unloading
Standard 4” TTMA Flange Compatible – Easy installation with common sump configurations
Meets International Standards: TTMA RP84-92 and RP86-92 shear section force ratings, DOT 49 CFR 178.345-8 and DOT 406 compliant shear groove, EN 13308:2002 standard compliant
Die-cast high-strength aluminum body – Lightweight and durable
Viton Seals – Excellent resistance to fuels and chemicals
Brass Cam with Bearing Boot – Ensures smooth operation and longer lifespan
Double O-Ring Camshaft Sealing – Improves sealing performance and simplifies maintenance
Stainless Steel Internal Components – Corrosion-resistant and long-lasting

Functional Highlights
High-Lift Poppet Design – Maximizes flow efficiency
Self-Centering Plunger with Heavy-Duty Compression Spring – Ensures consistent and secure closure
Optional Push Rod Adaptor / Eye Bolt – For mechanical vent or top operation

About Haibo
Zhejiang Haibo Petroleum Equipment Co., Ltd.

Zhejiang Haibo Petroleum Equipment Co., Ltd., established in 2017, is a certified enterprise located in Yongjia County, Wenzhou City, Zhejiang Province—recognized globally as the world’s largest manufacturing base for petroleum equipment and the well-known hometown of pumps and valves in China.
Our products are widely used in Fluid Control Systems, Energy Systems, Measurement Systems, Piping Systems, and Hydraulic Systems, serving petroleum companies, military units, oil depots, tank truck manufacturers, and petrol stations worldwide. Province—recognized globally as the world’s largest manufacturing base for petroleum equipment and the well-known hometown of pumps and valves in China.
At Haibo, we are backed by a team of senior industry experts with more than 20 years of professional experience in the petroleum equipment and fluid control sectors. Their deep technical knowledge and industry insight ensure that every product and solution we deliver meets the highest standards of quality, reliability, and performance.

Certificate Of Honor
  • Utility Model Patent Certificate
  • Utility Model Patent Certificate
  • Utility Model Patent Certificate
  • Utility Model Patent Certificate
  • Utility Model Patent Certificate
  • Utility Model Patent Certificate
  • Utility Model Patent Certificate
  • Utility Model Patent Certificate
  • Utility Model Patent Certificate
  • Utility Model Patent Certificate
  • Test Report
  • Test Report
News